Relacart WDC-903M Беспроводной центральный блок управления конференц-системы
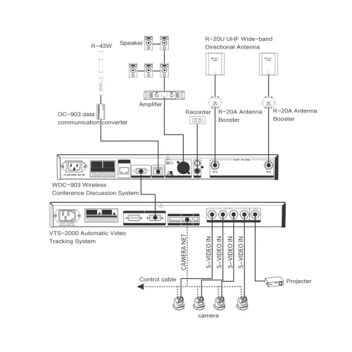
Relacart WDC-903M - Беспроводной центральный блок управления с поддержкой Dante и автоматической системы видеонаблюдения VTS-2000, предназначенный для подключения 255 беспроводных пультов с возможностью одновременной связи между 5-ю любыми пультами.
Описание подготовлено командой сайта samid.ruРаботающий в диапазоне ультравысоких частот блок управления WDC-903M обеспечивает высококачественный звук формата CD с защитой от помех от других беспроводных устройств, телефонов, компьютеров и устройств bluetooth.
Особенности Relacart WDC-903M
- Управление до 255 беспроводными дискуссионными пультами и 2 пультами председателя
- Возможностью одновременной связи между пятью любыми пультами
- Благодаря интерфейсу Dante может связываться с любым устройством Dante для передачи звука
- Регулировка чувствительности аудиовходов и аудиовыходов
- Функция мониторинга наушников
- Возможность подключения внешних устройств обработки звука или телефонных соединителей
- Корпус 19"(1U) для установки на столе или в стойку
- Рукоятки для легкой транспортировки
- Простой интерфейс управления с отображением настроек на ярком ЖК-дисплее
- Возможность выбора меню на китайском или английском языке
- Звук от микрофона приобретает качество СD
- Полная защита от помех от других беспроводных устройств, телефонов, компьютеров и устройств bluetooth
- Быстрое и простое развертывание системы без какого-либо влияния на интерьер помещения
- Поддержка системы VTS-2000 для автоматического слежения поворотной камерой
Четыре режима работы системы:
1). Автоматический - с ограничением по времени и работой только одного докладчика. По окончании времени, выделенного на разговор, активизируется другой дискуссионный блок.
2). С запросом - запрос делегата на начало выступления должен быть подтвержден председателем.
3). FIFO (англ. first in, first out — «первым пришёл — первым ушёл») при достижении максимального количества активированных пультов, подключение следующих устройств приводит к деактивации пультов, подключенных первыми.
4). Голосовая активация.
Характеристики блока управления:
- Частотный диапазон: 50 Гц-18 кГц (+0-3 дБ).
- Прием: 6 каналов.
- Стабильность частоты: ± 0.005%.
- Диапазон несущей частоты: 470-638 МГц.
- Максимальная мощность несущей частоты: 50 мВт.
- Диапазон частот LoRa: 433.075-434.79 МГц.
- Максимальная мощность LoRa: 10 мВт.
- Частота дискретизации: 48 кГц / 24 бита.
- Модуляция: FM.
- Рабочее расстояние: 80 метров (на открытом пространстве).
- Полоса пропускания: 32 МГц.
- Отклонение: ± 45 кГц.
- Отношение сигнал/шум: > 100 дБ.
- Коэффициент нелинейных искажений: <0,5% @ 1 кГц.
- Частотная характеристика: 50 Гц-18 кГц.
- Балансный выход: XLR-M, 2 RCA.
- Питание: 110-240 В переменного тока 50/60 Гц.
- Вес: 3,2 кг.
- Размеры: 480 х 43 х 350 мм.
Характеристики
Отзывы
Отзывов нет
